УДК 681.3.01 : 51

ИНТЕРФЕЙСНЫЕ БИС МИКРОПРОЦЕССОРНОГО КОМПЛЕКТА К1801: МИКРОСХЕМА К1801ВП1-035

(Продолжение цикла. Начало в № 4 - 6, 1988)

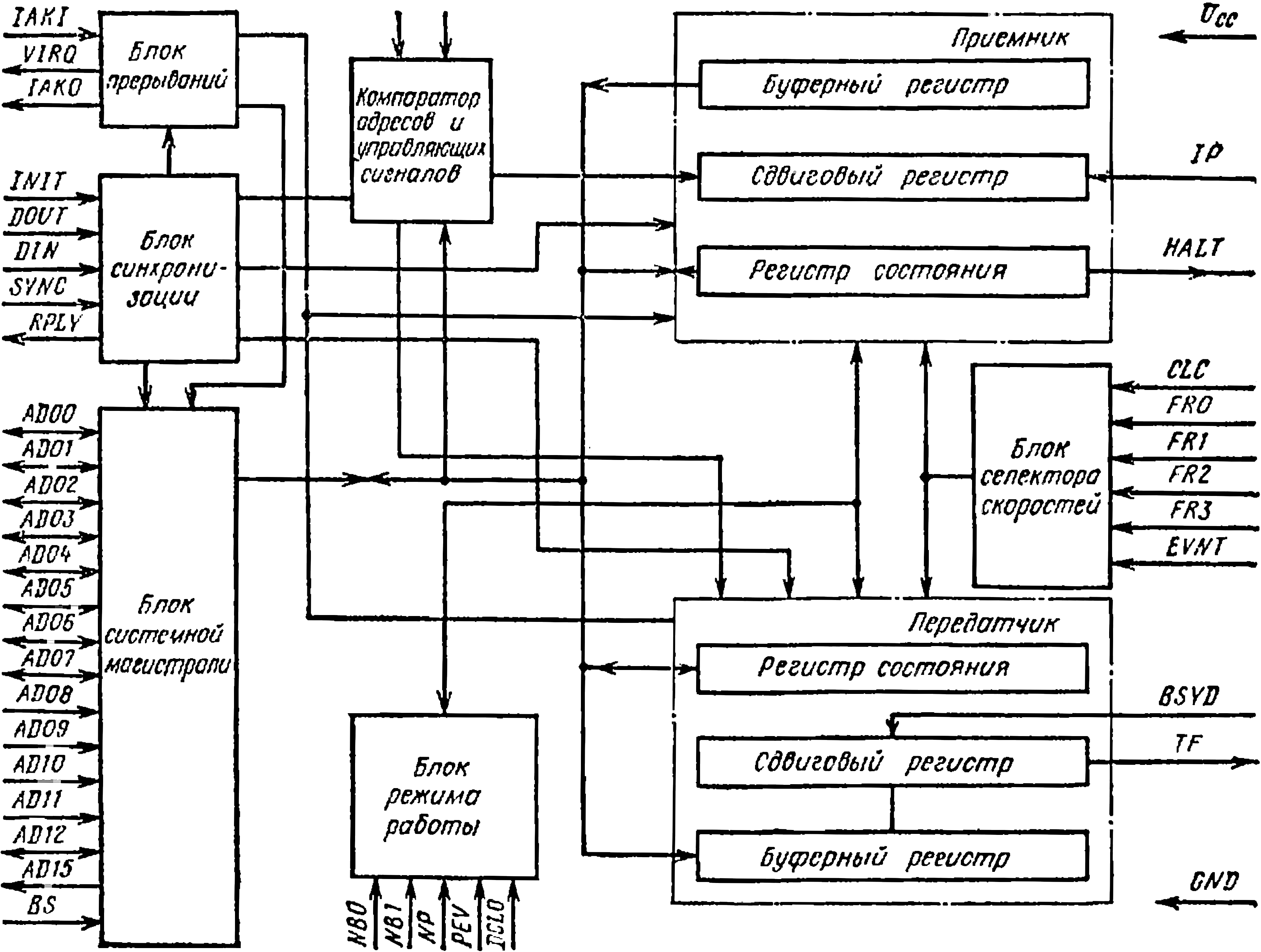
Микросхема К1801ВП1-035 (асинхронный приёмник-передатчик), выполненная по n-канальной МОП-технологии, является однокристальным контроллером внешних устройств, работающих на линии связи с последовательной передачей информации в дуплексном режиме, и предназначена для преобразования параллельной информации в последовательную и наоборот. Кристалл содержит около 5000 транзисторов и помещён в 42-выводной планарный металлокерамический корпус. Условное графическое обозначение микросхемы приведено на рис. 1, назначение выводов показано в табл. 1.

В режиме обмена информацией по последовательному каналу микросхема обеспечивает требования интерфейса для радиального подключения устройств с последовательной передачей информации (ИРПС). В составе ЭВМ она может использоваться для связи процессора с отдалёнными устройствами, в частности с пультовым терминалом.

Микросхема состоит из следующих основных функциональных блоков (рис. 2):

 


а)


б)

Рис. 1. Условное графическое обозначение микросхемы К1801ВП1-035 по порядку расположения (а) и функциональному назначению (б) выводов

 

Таблица 1
Обозначение и наименование выводов

Вывод

Обозначение

Тип

Наименование

1

CLC

Вход

Тактовая частота

2

EVNT

Выход

Прерывания по таймеру 50 Гц

3...6

FR0...FR3

Вход

Выбор скорости обмена

7,8

NB0, NB1

Вход

Выбор формата

9...20

AD00...AD11

Вход-выход,

вход

Разряды адреса-данных

21

GND

-

Общий

22

AD12

Вход-выход

Двенадцатый разряд адреса-данных

23

ACL0

Вход

Выбор адреса

24

ACL1

Вход

 

25

AD15

Выход

Пятнадцатый разряд адреса-данных

26

BS

Вход

Выбор внешнего устройства

27

TF

Выход

Сигнал передатчика

28

IP

Вход

Сигнал приёмника

29

BSYD

Вход

Сигнал занятости последовательного канала

30

NP

Вход

Установка паритета

31

HALT

Выход

Останов

32

PEV

Вход

Установка чётности или нечётности

33

IAKI

Вход

Сигнал предоставления прерывания по каналу

34

INIT

Вход

Установка системной магистрали

35

VIRQ

Выход

Требование векторного прерывания

36

IAKO

Выход

Предоставление прерывания системной магистрали

37

DOUT

Вход

Вывод данных

38

DIN

Вход

Ввод данных

39

RPLY

Выход

Ответ

40

DCLO

Вход

Авария источника питания

41

SYNC

Вход

Обмен

42

Uсс

-

Напряжение источника питания

Рис. 2. Электрическая структурная схема устройства последовательного ввода-вывода

Скорости обмена информацией при работе по последовательному каналу с частотой 4608 кГц составляют 50, 75, 100, 150, 200, 300, 600, 1200, 2400, 4800, 9600, 19200 бод. Приём и выдача посылки осуществляются в форматах 5, 7 или 8 информационных битов. Микросхема обеспечивает формирование двухстоповых и приём полуторастоповых битов (в формате посылки 5 бит), а также формирование и контроль бита паритета (чётности или нечётности) и работу без бита паритета.

Микросхема содержит четыре регистра и два источника адресов вектора прерывания. Адреса регистров и векторов - сменные по группам (табл. 2).

Таблица 2
Адреса регистров и векторов

Регистры, источник адреса

Группа

1

2

3

4

Регистр состояния приёмника

177560

176560

176570

XXXXX0

Буферный регистр приёмника

177562

176562

176572

ХХХХХ2

Регистр состояния передатчика

177564

176564

176574

ХХХХХ4

Буферный регистр передатчика

177566

176566

176576

ХХХХХ6

Адрес вектора прерывания приёмника

060

360

370

XX0

Адрес вектора прерывания передатчика

064

364

374

ХХ4

Форматы регистров

Регистр состояния приёмника (рис. 3).

 

15

 

 

12

 

 

 

 

7

6

 

 

 

 

 

0

 

 

 

 

 

 

 

 

 

 

 

 

 

 

 

 

Рис. 3. Формат регистра состояния приёмника

 

Разряды 0...5, 8...11, 13, 14 не используются и читаются как Лог. 0.

Разряд 6 - разрешение работы приёмника по прерыванию. Если этот разряд установлен в состояние Лог. 1, то прерывание разрешено, если - в состояние Лог. 0, то запрещено. Сбрасывается в Лог. 0 по сигналу INIT. Доступен по записи и чтению.

Разряд 7 - флаг состояния приёмника. Устанавливается в Лог. 1 при поступлении посылки в буферный регистр приёмника от предыдущей посылки или от исходного состояния СТОП на линии при включении источника питания после приёма первой посылки. Сбрасывается в Лог. 0 по окончании чтения посылки буферного регистра приёмника или по сигналу INIT. Доступен по чтению.

Разряд 12 - ошибка переполнения. Устанавливается в Лог. 1, если в сдвиговый регистр приёмника поступило более одной посылки без чтения из буферного регистра приёмника первой поступившей посылки. При этом независимо от числа поступивших в канал приёмника посылок в буферном регистре сохраняется первая посылка. Разряд 12 находится в состоянии Лог. 0, если поступившая в буферный регистр посылка читается до окончания поступления в сдвиговый регистр последнего информационного бита следующей посылки. Сбрасывается в Лог. 0 по окончании чтения буферного регистра приёмника или по сигналу INIT. Доступен по чтению.

Разряд 15 - ошибка в принятой посылке. Устанавливается в состояние Лог. 1, если есть ошибка паритета в принятой посылке и установлено условие контроля паритета. Находится в состоянии Лог. 0, если нет ошибки паритета или не установлено условие контроля паритета. Сбрасывается в Лог. 0 по чтению буферного регистра приёмника или по сигналу INIT. Доступен по чтению.

 

Буферный регистр приёмника (рис. 4)

 

15

 

 

 

 

 

 

8

7

 

 

 

 

 

 

0

 

 

 

 

 

 

 

 

 

 

 

 

 

 

 

 

Рис. 4. Формат буферного регистра приёмника

 

Разряды 0...7 содержат посылку, принятую с линии. В разряде 0 находится первый бит, в разряде 7 - восьмой бит посылки. При установленном контроле паритета в следующем за последним битом посылки находится бит паритета. При формате 8 бит он анализируется микросхемой, но в буферный регистр не поступает.

Низкий уровень бита в посылке на входе IP соответствует Лог. 1, высокий уровень - Лог. 0 в буферном регистре приёмника. Разряды 8...15 не используются и читаются как Лог. 0. Регистр доступен по чтению.

 

Регистр состояния передатчика (рис. 5)

 

15

 

 

 

 

 

 

8

7

6

 

 

 

2

 

0

 

 

 

 

 

 

 

 

 

 

 

 

 

 

 

 

Рис. 5. Формат регистра состояния передатчика

 

Разряд 0 - разрыв линии. Если он находится в состоянии Лог. 1, то на выходе TF устанавливается высокий уровень (состояние СТАРТ) при условии, что на входе BSYD - низкий уровень. Если на входе BSYD высокий уровень, то на выходе TF устанавливается низкий уровень (состояние СТОП). Установка разряда 0 в состояние Лог. 1 этот уровень не изменяет. Разряд 0 доступен по записи и чтению.

Разряд 2 - проверка работы. Если этот разряд установлен в состояние Лог. 1, то выдаваемая с выхода TF посылка поступает также и на канал приёмника. При этом вход IP для приёма посылок с линии закрыт. Разряд 2 доступен по записи и чтению.

Разряд 6 - разрешение работы передатчика по прерыванию. Если этот разряд установлен в состояние Лог. 1, то прерывание разрешено, если в Лог. 0, то запрещено. Доступен по записи и чтению.

Разряд 7 - флаг состояния передатчика. Устанавливается в Лог. 1 по началу выдачи посылки на линию или по сигналу DCLO. Сбрасывается в Лог. 0 по записи данных в буферный регистр передатчика. Если разряд 7 установлен в Лог. 1, то буферный регистр передатчика будет пуст. Если запись данных в буферный регистр произошла во время выдачи посылки, то следующая посылка начинается сразу же по окончании предыдущей. Доступен по чтению.

Разряды 1, 3...5, 8... 15 не используются и читаются как Лог. 0.

 

Буферный регистр передатчика (рис. 6).

 

15

 

 

 

 

 

 

8

7

 

 

 

 

 

 

0

 

 

 

 

 

 

 

 

 

 

 

 

 

 

 

 

Рис. 6. Формат буферного регистра передатчика

 

Разряды 0...7 содержат данные для передачи посылки на линию. В разряд 0 записывается первый бит, в разряд 7 - восьмой бит посылки. По окончании записи в этот регистр происходит запись данных в сдвиговый регистр передатчика. При условии низкого уровня на входе BSYD посылка с выхода TF поступает на линию. Бит паритета автоматически следует за последним битом посылки при условии работы с контролем чётности или нечётности. Этот бит формируется на выходе TF низким уровнем при записи Лог. 1. и высоким уровнем при записи Лог. 0.

В режиме чтения по адресу буферного регистра передатчика читается адрес источника вектора прерывания. Разряды 8... 15 читаются как Лог. 0.

Режим прерывания

Прерывание от приёмника. Запрос на прерывание от приёмника возникает, если разряды 6 и 7 регистра состояния приёмника установлены в 1. При обработке запроса на прерывание читается адрес вектора прерывания приёмника.

Прерывание от передатчика. Запрос на прерывание от передатчика возникает, если разряды 6 и 7 регистра состояния передатчика установлены в 1. При обработке запроса на прерывание читается адрес вектора прерывания передатчика.

Формат источников адресов векторов прерываний (рис. 7)

 

15

 

 

 

 

 

 

8

7

 

 

 

3

2

 

0

 

 

 

 

 

 

 

 

 

 

 

 

 

 

 

 

Рис. 7. Формат источников адресов векторов прерываний

 

Разряд 2 - указатель адреса вектора прерывания. Запись 0 в разряд 2 указывает на адрес вектора прерывания приёмника, 1 - передатчика. Разряды 3...7 - сменная часть адреса вектора прерывания. Они читаются как Лог. 0. если выбрана четвертая группа адресов регистров и источников адресов векторов прерываний. Разряды 0, 1, 8... 15 не используются, читаются как Лог. 0.

Приоритет запроса от приёмника выше приоритета запроса от передатчика.

По окончании приёма посылки при отсутствии сигнала СТОП (разрыв линии) на выходе HALT устанавливается низкий уровень. Высокий уровень на этом выходе возникает по сигналу INIT. При тактовой частоте 4608 кГц на выходе EVNT формируются импульсные сигналы со скважностью Q=2 и частотой 50 Гц.

Работа микросхемы

Связь микросхемы с процессором осуществляется по каналу МПИ.

Временные диаграммы операций чтения, записи, чтения-модификации-записи и прерывания приведены на рис. 8-11 соответственно.

 

Рис. 8. Временная диаграмма операции чтение (ввод)

Рис. 9. Временная диаграмма операции запись (вывод)

Рис. 10. Временная диаграмма операции чтение-модификация-запись (ввод-пауза-вывод)

Рис. 11. Временная диаграмма операции прерывания

Работа приёмника

Информация в последовательном коде поступает со входа IP в сдвиговый регистр и по окончании сдвига переписывается в буферный регистр. В разряде 7 регистра состояния приёмника выставляется флаг готовности приёмника. Если в разряде 6 регистра состояния записано условие работы канала приёмника микросхемы по прерыванию, то на выходе VIRQ возникает сигнал запроса на прерывание. Запрос должен быть обработан по системной магистрали процессором, в результате чего по адресу буферного регистра должна быть прочитана посылка. По окончании чтения посылки флаг готовности приёмника в разряде 7 сбрасывается и приёмник может принимать новую посылку.

При отсутствии условия разрешения прерывания (разряд 6 регистра состояния приёмника содержит Лог. 0) требование прерывания на выходе VIRQ не возникает. Процессор должен работать с микросхемой в режиме сканирования (периодического чтения по адресу) регистра состояния приёмника и после чтения флага готовности приёмника прочитать посылку из буферного регистра приёмника.

Пример приёма посылки приведён па рис. 12. Чтение флага готовности приёмника и ошибки паритета на рис. 12 не показаны. Поступившую в буферный регистр приёмника посылку можно читать не позднее поступления в сдвиговый регистр последнего информационного бита следующей посылки, иначе возникает ошибка переполнения (рис. 13). Приём посылок без возникновения ошибки переполнения приведён на рис. 14.

Работа передатчика

В исходном состоянии после подачи низкого уровня на вход DCLO микросхема выставляет в разряде 7 регистра состояния флаг готовности передатчика, свидетельствующий о том. что буферный регистр передатчика пуст. В разряде 6 регистра состояния может быть записано или не записано условие работы передатчика микросхемы по прерыванию. Алгоритм работы передатчика микросхемы по прерыванию или без него аналогичен описанию работы приёмника.

Информация из системной магистрали записывается по адресу буферного регистра передатчика. По окончании записи она в параллельном коде переписывается в сдвиговый регистр. При отсутствии сигнала BSYD на выходе TF через t=1/16 длительности бита появляется посылка, автоматически выдвигаемая из сдвигового регистра. С началом сдвига посылки в регистре состояния передатчика выставляется флаг готовности, свидетельствующий о том, что буферный регистр передатчика пуст и в него можно записывать новую информацию.

Если запись новой информации произведена во время выдачи посылки на линию, то новая посылка выйдет сразу же после окончания текущей посылки, т.е. после бита СТОП на выходе TF появляется бит СТАРТ новой посылки.

 

Рис 12. Временная диаграмма приёма седьмой байтовой посылки

Рис. 13 Временная диаграмма возникновения ошибки переполнения при приёме посылок

Рис. 14. Приём посылок без возникновения ошибки переполнения

Рис. 15. Временная диаграмма выдачи 7-битовой посылки с формированием бита паритета и двумя СТОП-битами

Пример выдачи посылки показан на рис. 15. Сигнал занятости канала BSYD влияет на выход TF и схему синхронизации канала передатчика. Если на входе BSYD низкий уровень, то канал передатчика работает, как описано выше. Если на вход BSYD подать высокий уровень, то на выходе TF устанавливается низкий уровень (СТОП) независимо от того, выходит посылка или нет, и тормозится выдача посылки. Если во время действия высокого уровня на входе BSYD происходит запись данных в буферный регистр передатчика, то эти данные не переписываются в сдвиговый регистр передатчика. После снятия высокого уровня со входа BSYD записанная в буферный регистр посылка переписывается в сдвиговый регистр и на выходе TF через t=1/16 длительности бита появляется бит СТАРТ данной посылки и возникает новый флаг готовности передатчика.

Г. Г. Глушкова

Телефон 208-73-23, Москва

 

Performed by © gid, 2012-2025.